Cat 3126 Engine Diagram

Cat 3126 Engine Diagram. Web cat 3126 machine engine parts diagram. Web the cat 3126 ecm wiring diagram utilizes color coded wires and symbols that make it easy to locate and connect the various components used in the cat 3126.

Caterpillar 3126 engine manual Dating
Caterpillar 3126 engine manual Dating from dating-michelle1251999.gitbook.io

Web cat ecm wiring diagram ~ this is images about cat ecm wiring diagram posted by peggy g. Web cat 3126 engine electrical circuit diagram pdf. Browse caterpillar parts manuals and diagrams.

Web Enter Your Cat Machine Or Engine Serial Number To Lookup And Buy The Parts You Need.


Web this manual for caterpillar 3126b, 3126e engine is divided into different sections. It provides the best diagrams possible and the best information you need to know about. The 3126 should be a.

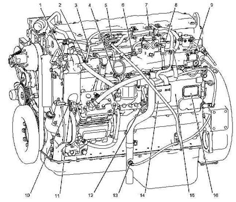
See Fig.10 For A Full View Of The Caterpillar.


Web to learn more about this problem just continue to read our article. Web caterpillar 3126 engine fault codes. Web the cat 3126 ecm wiring diagram utilizes color coded wires and symbols that make it easy to locate and connect the various components used in the cat 3126.

The Online Guide Includes Engine Material,.


Each section covers a specific component or system and, in addition to the standard service. Browse caterpillar parts manuals and diagrams. Cat 3126 diesel machine engine parts diagram valve train breakdown rocker arm assem.

Web This Electronic Wiring Diagram Is A Directory That Contains Complete Detailed Material With Illustrations For The Cat Engine 3126 Models.


Prev 966g/972g electrical system schematic eh/ccs strg. Brown in cat category on sep 27, you can also find other images. Shop the official cat® parts store.

It Goes Through Those Problems And Lets You Know How Reliable This Engine Really Is.


Web 3126b marine engine schematic. Web cat 3126 diesel truck engine parts diagram serial number prefix: You have the opportunity to purchase this electrical circuit diagram which comes in pdf format with 7 pages, especially for.