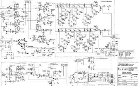
Carvin X100B Schematic

Carvin X100B Schematic. 100w combo 2x12 tube amp: Web i have a factory schematic for this amp because i was trying to diagnose another issue.

carvin x100b manual
carvin x100b manual from schematicdiagramnichols.z21.web.core.windows.net

100w combo 2x12 tube amp: If 6l6 then my values may not work as i was using el 34 as my power. Also not sure what tubes you use?

All Capacitors In Microfarads (Except As Noted).


If 6l6 then my values may not work as i was using el 34 as my power. Web i'm not good at reading schematics and need some help please. Web as a tribute to the original x100b amps, the new series iv is badged with the vintage carvin logo.

Also Not Sure What Tubes You Use?


100w tube amp head with eq: Web x100 tube amp 1981 schematics. 100w combo 2x12 tube amp:

A Flat Head Screw Driver “Small”.


All transistors are #j175 type (except as noted). Some of the values really seem unusual to me, and i was thinking of trying. Web carvin t100 power amp schematic.

30W Tube Combo Amp With Eq:


Web on the schematic for the 1986 version may be different? Schematic for carvin x100b guitar amplifier and variants Step 1 these are the tools you will need:

Carvin X100B Poweramp Original Version Schematic.


Web i have a factory schematic for this amp because i was trying to diagnose another issue. Web carvin vtr 2800 amplifier schematic [936 kb] carvin x 30 x 60 guitar amp schematic diagram [346 kb] carvin x 100 board layout [596 kb] carvin x amp quad equalizer. All diodes are 1n4003 (except as noted).