Carvin Legacy Schematic

Carvin Legacy Schematic. Web view and download carvin vl300 operating manual online. Carvin legacy vl100 vl212 schematic

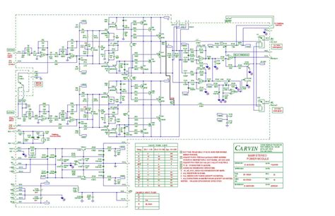
CARVIN LEGACY VL100 VL212 100WTUBESERIES SCH Service Manual download
CARVIN LEGACY VL100 VL212 100WTUBESERIES SCH Service Manual download from elektrotanya.com

Vl300 amplifier pdf manual download. Carvin legacy 3 (vl300) uploaded by bruno mariano. Web would anyone have a schematic for a carvin legacy 3 vl300?

Web Legacy Vl100 & Vl212 Schematics (Pdf) Vintage 16 Schematic (Pdf) Vintage 33 Schematic Rev C 4/8/94 (Pdf) Vintage 50 Schematic (Pdf) Classic 100 Power Amp.


Web incorporate the vld1 in your rig as a preamp, a pedal or by going direct. Web 49 rows guitar amplifier schematics. Web carvin fet 1000 schematic diagram [309 kb] carvin legacy vl100 vl212 amplifier schematic [117 kb] carvin master tube series 3200 2 channel schematic diagram [225 kb] carvin.

Read Or Download The Pdf For Free.


You will require adobe acrobat pdf readerto view these schematics. I’ve had no response from what’s left of carvin’s vm or email. Vl300 amplifier pdf manual download.

Two 12Ax7 (Dual Stage) »Controls:


Web view and download carvin vl300 operating manual online. Web all of these pdf files are available for free download. Web electronics service manual exchange :

Web Would Anyone Have A Schematic For A Carvin Legacy 3 Vl300?


This is the 1 pages manual for carvin legacy ii series 100w tube schematics. Web legacy 3 all tube signature amplifier. Carvin legacy 3 (vl300) uploaded by bruno mariano.

Web Electronics Service Manual Exchange :


Steve vai worked very closely with carvin engineering to develop the sound and look of the legacy amplifiers. Help me to keep this site with no. Web carvin legacy ii series 100w tube schematics.