Carver Amp Wiring Schematic

Carver Amp Wiring Schematic. 250 watts per channel into 8ω (stereo), 800 watts into 8ω (mono) frequency response: Run the wires under the glove box and grommet.

links
links from www.oestex.com

M240 amplifier pdf manual download. Web carver a753x schematics service manual | download the high quality digitized pdf, or order a high quality paperback manual, tech sheet or supplement. 250 watts per channel into 8ω (stereo), 800 watts into 8ω (mono) frequency response:

Web Carver 741 Kb:


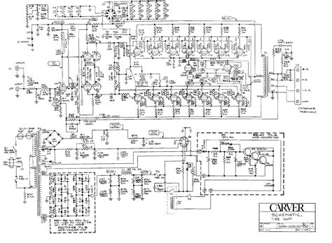
Web carver silver7 tube amplifier schematics (pdf download) can't find what you need? Web carver amplifier schematic diagram free schematics download carver amplifier model super 7 electronics schematic diagram, carver super 7 amp schematics, electronic. This is the 1 pages manual for carver tube amp schematic.

Web Carver A753X Schematics Service Manual | Download The High Quality Digitized Pdf, Or Order A High Quality Paperback Manual, Tech Sheet Or Supplement.


If you want to contribute, please mail your. Web carver tube amp schematic. That the carver says mono somehow.

Web Installation (Continued) Input Wiring.9 Input Sensitivity.10 Output Wiring.10 Polarity.10 Dual Mono.10 Bridged Mono.11 Parallel Mono.11 Clipping Eliminator.11 Operating.


Web view and download carver m240 service manual online. Web free electronics schematic diagrams downloads, electronics circuit and wiring diagrams, guitar wiring diagrams, tube amplifier schematics, electronics repair manuals,. Web web carver owners forum.

M240 Amplifier Pdf Manual Download.


This amplifier seems to be an updated phase linear 400ii. Web amp gauge wiring diagram : A 2 x 50 watts/channel amplifier is connected to two 4 ohm speakers.

Web This Is The 1 Pages Manual For Carver Tube Amp Schematic.


Click on an alphabet below to see the full list of models starting with that letter:. Web wiring schematic for 2000 396 discussion of batteries, chargers, wiring, generators, distribution panels, battery switches, etc. 250 watts per channel into 8ω (stereo), 800 watts into 8ω (mono) frequency response: