Camry Wiring Schematic

Camry Wiring Schematic. Usa & canada production date: Web use relay location and electrical wiring routing sections to find each part, junction block and wiring harness connectors, wiring harness and wiring harness.

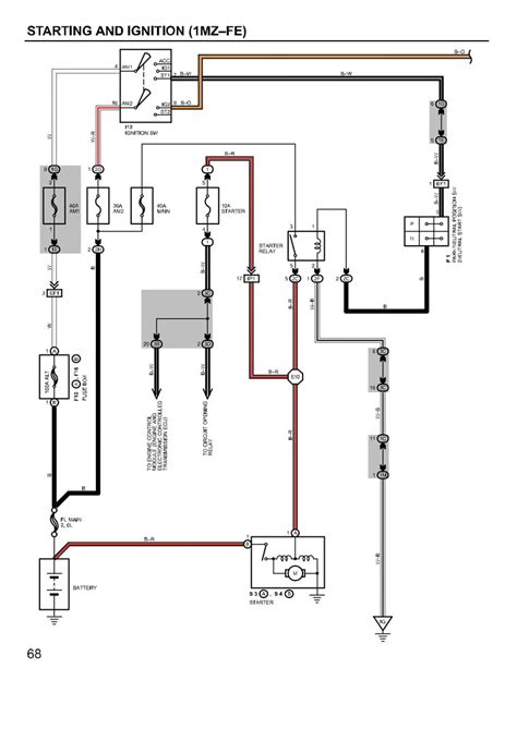
Bestio 94 Camry Wiring Diagram
Bestio 94 Camry Wiring Diagram from bestio4.blogspot.com

Toyota camry 2007 service and repair manual (rm0250u) pdf. Web air conditioning 2.4l 2.4l, automatic a/c wiring diagram (1 of 2) for toyota camry le 2004 2.4l, automatic a/c wiring diagram (2 of 2) for toyota camry. Web this wiring diagram manual has been prepared to provide information on the electrical system of the 2007 camry.

Web Air Conditioning 2.4L Hybrid 2.4L Hybrid, Automatic A/C Wiring Diagram (1 Of 3) For Toyota Camry 2011 2.4L Hybrid, Automatic A/C Wiring Diagram (2.


Web toyota camry 2020 electrical schematic diagram pdf. Web the 2000 toyota camry wiring diagram is an invaluable tool for understanding and troubleshooting any electrical problems that may arise with the. Web manuals brands toyota manuals automobile 2005 camry solara convertible wiring diagram toyota 2005 camry wiring diagram hide thumbs also see for 2005 camry:.

Autozone's Repair Guides Tell You What You Need To Know To Do The.


Don’t bother with trying to. Web this wiring diagram manual has been prepared to provide information on the electrical system of the camry. Web use relay location and electrical wiring routing sections to find each part, junction block and wiring harness connectors, wiring harness and wiring harness.

Web This Wiring Diagram Manual Has Been Prepared To Provide Information On The Electrical System Of The 2007 Camry.


Web this wiring diagram manual has been prepared to provide information on the electrical system of the 1994 toyota camry. Usa & canada production date: 3.8k views 3 years ago.

Read More Suzuki Samurai, Sidekick,.


Web 14 great for your aftermarket stereo install or mp3 player, this camry stereo wiring diagram identifies all the wires and colors for you. Toyota camry 1999 service repair. Toyota camry 2007 service and repair manual (rm0250u) pdf.

Web Use Relay Location And Electrical Wiring Routingsections To Find Each Part, Junction Block And Wiring Harness Connectors, Wiringharness And Wiring Harness Connectors, Splice.


Web air conditioning 2.4l 2.4l, automatic a/c wiring diagram (1 of 2) for toyota camry le 2004 2.4l, automatic a/c wiring diagram (2 of 2) for toyota camry.